| штат: | |
|---|---|
| Количество: | |
INTJ-L11
CAIDAO
Прозрачный и отражательный вертикальный металлографический микроскоп серии INTJ-L11 подходит для микроскопического наблюдения за непрозрачными или прозрачными объектами.Прибор оснащен системой падающего и пропускающего освещения, плоскопольным ахроматическим объективом дальнего действия (без покровного стекла), широкопольным окуляром и встроенным поляризационным наблюдателем.Таким образом, он обладает характеристиками четкого изображения, хорошей контрастности и удобной работы.Это идеальный инструмент для исследований в области биологии, металлологии, минералогии, точного машиностроения и электроники.Он подходит для школ, научных исследований, заводов и т. д.
1. Оснащен окуляром с большим полем зрения и ахроматическим объективом с плоским полем для больших расстояний (без защитного стекла), поле зрения большое и четкое.
2. Коаксиальный механизм фокусировки с грубым микродвижением, грубая динамическая регулировка герметичности, с устройством блокировки и ограничения, значение сетки микродвижения: 2 мкм.
3. Он оснащен двумя комплектами систем освещения, падающей и пропускающей, которые могут соответственно наблюдать за непрозрачными или прозрачными объектами.
4. Галогенная лампа 6V20W с регулируемой яркостью.
5. Корпус объектива с тремя глазами, который может свободно переключаться между обычным наблюдением и поляризационным наблюдением и может выполнять фотосъемку со 100% светопропусканием.
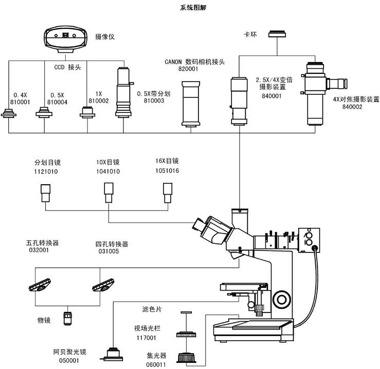
Откидная смотровая труба: смотровая труба с тремя глазами, регулируемая по одному и наклонная на 30 ° трубка объектива, может быть подключена к фото- и фотокамерам.
Окуляр: плоский окуляр большого поля WF10x с полем зрения φ 18 мм, что обеспечивает широкое и плоское пространство для наблюдения.Делительный окуляр с 10-кратным увеличением, диапазон поля зрения φ 18 мм для коррекции центра.
Двухслойная механическая платформа, размер: 185 мм ✕ 140 мм, диапазон перемещения: 75 мм ✕ 50 мм, умеренная концепция дизайна, более удобная и комфортная для пользователей работа со сценой.
Галогенная лампа 6В 20Вт с регулировкой яркости, встроенный стопор поля, апертурный стопор, (желтый, синий, зеленый, матовое стекло), устройство преобразования цветовых фильтров, двухтактный поляризатор.
Встроенное осветительное устройство с галогенной лампой: используется галогенная лампа 6 В 20 Вт (регулируемая яркость), которая может обеспечить четкое и отчетливое микроскопическое изображение наблюдения.
Светосборник: светосборник с полевой апертурой.
Конденсатор: конденсатор Аббе NA1.25 регулируется вверх и вниз.
Цифровая запись высокой четкости и режим наблюдения с камеры могут быть реализованы путем настройки аксессуаров для наблюдения с камеры (разъем CCD, разъем для цифровой камеры, разъем для цифровой зеркальной камеры и т. д.).
Поляризационное наблюдение Наблюдение в светлом поле
Стандартная конфигурация
Окуляр | Широкоугольный WF10X (Φ18 мм) | |
Объектив | Плоский ахроматический объектив для дальнего расстояния (без покровного стекла) PL 5X/0,12 | |
Плоский ахроматический объектив для больших расстояний (без покровного стекла) PL L10X/0,25 | ||
Плоский ахроматический объектив для больших расстояний (без покровного стекла) PL L40X/0,60 | ||
Плоский ахроматический объектив для больших расстояний (без покровного стекла) PL L60X/0,75 (пружина) | ||
Окулярная трубка | Три окуляра, наклон 30˚, (встроенный поляризатор для переключения) | |
Система капельного освещения | Галогенная лампа 6В 20Вт с регулировкой яркости | |
Капельный осветитель с полевой световой полосой, апертурной световой полосой, поляризатором, цветным фильтром (желтый, синий, зеленый) и матовым стеклом | ||
Система фокусировки | Грубая фреттинговая коаксиальная фокусировка, шаг фреттинговой сетки: 2 мкм.Грубый динамический натяг регулируемый, с запорно-ограничительными устройствами | |
Конвертер | Четыре отверстия (внутреннее расположение мяча) | Пять отверстий (внутреннее расположение мяча) |
стадия | Двухслойный механический мобильный тип (размер: 185 мм x 140 мм, диапазон перемещения: 75 мм x 50 мм) | |
Трансмиссионная система освещения | Конденсатор Аббе NA1.25 можно поднимать и опускать. | |
Синий фильтр и матовое стекло | ||
Светосборник, подходит для галогенной лампы | ||
Галогенная лампа 6В 20Вт с регулировкой яркости | ||
По желанию
Окуляр | Широкопольный окуляр WF16X (Φ11 мм) |
Делительный окуляр 10X (Φ18 мм), шаг сетки 0,1 мм/сетка | |
Объектив | Плоский ахроматический объектив для больших расстояний (без покровного стекла) PL L 50X/0,70 |
Плоский ахроматический объектив для больших расстояний (без покровного стекла) PL L 80X/0,80 | |
Плоский ахроматический объектив для больших расстояний (без покровного стекла) PL L 100X/0,85 (пружина) | |
Плоский ахроматический объектив (без покровного стекла) PL 100X/1,25 (пружина, масло) | |
Цветной фильтр | Фильтр зеленого цвета |
Желтый цветной фильтр | |
разъем ПЗС | 0,4X |
0,5X | |
1X | |
0,5X с делительной линейкой, шаг сетки 0,1 мм/сетка | |
Камера | DV-1 с USB и видеовыходом |
DV-2 (выход USB 1,30/3/5/10 миллионов пикселей) | |
DV-3 с видеовыходом | |
Устройство камеры | Камера с 2,5-кратным/4-кратным зумом и 10-кратным окуляром видоискателя |
4-кратная фокусировка камеры | |
MD застежка | |
застежка ПК | |
Разъем цифровой камеры | КАНОН(А610,А620,А630,А640) |
Прозрачный и отражательный вертикальный металлографический микроскоп серии INTJ-L11 подходит для микроскопического наблюдения за непрозрачными или прозрачными объектами.Прибор оснащен системой падающего и пропускающего освещения, плоскопольным ахроматическим объективом дальнего действия (без покровного стекла), широкопольным окуляром и встроенным поляризационным наблюдателем.Таким образом, он обладает характеристиками четкого изображения, хорошей контрастности и удобной работы.Это идеальный инструмент для исследований в области биологии, металлологии, минералогии, точного машиностроения и электроники.Он подходит для школ, научных исследований, заводов и т. д.
1. Оснащен окуляром с большим полем зрения и ахроматическим объективом с плоским полем для больших расстояний (без защитного стекла), поле зрения большое и четкое.
2. Коаксиальный механизм фокусировки с грубым микродвижением, грубая динамическая регулировка герметичности, с устройством блокировки и ограничения, значение сетки микродвижения: 2 мкм.
3. Он оснащен двумя комплектами систем освещения, падающей и пропускающей, которые могут соответственно наблюдать за непрозрачными или прозрачными объектами.
4. Галогенная лампа 6V20W с регулируемой яркостью.
5. Корпус объектива с тремя глазами, который может свободно переключаться между обычным наблюдением и поляризационным наблюдением и может выполнять фотосъемку со 100% светопропусканием.
Откидная смотровая труба: смотровая труба с тремя глазами, регулируемая по одному и наклонная на 30 ° трубка объектива, может быть подключена к фото- и фотокамерам.
Окуляр: плоский окуляр большого поля WF10x с полем зрения φ 18 мм, что обеспечивает широкое и плоское пространство для наблюдения.Делительный окуляр с 10-кратным увеличением, диапазон поля зрения φ 18 мм для коррекции центра.
Двухслойная механическая платформа, размер: 185 мм ✕ 140 мм, диапазон перемещения: 75 мм ✕ 50 мм, умеренная концепция дизайна, более удобная и комфортная для пользователей работа со сценой.
Галогенная лампа 6В 20Вт с регулировкой яркости, встроенный стопор поля, апертурный стопор, (желтый, синий, зеленый, матовое стекло), устройство преобразования цветовых фильтров, двухтактный поляризатор.
Встроенное осветительное устройство с галогенной лампой: используется галогенная лампа 6 В 20 Вт (регулируемая яркость), которая может обеспечить четкое и отчетливое микроскопическое изображение наблюдения.
Светосборник: светосборник с полевой апертурой.
Конденсатор: конденсатор Аббе NA1.25 регулируется вверх и вниз.
Цифровая запись высокой четкости и режим наблюдения с камеры могут быть реализованы путем настройки аксессуаров для наблюдения с камеры (разъем CCD, разъем для цифровой камеры, разъем для цифровой зеркальной камеры и т. д.).
Поляризационное наблюдение Наблюдение в светлом поле
Стандартная конфигурация
Окуляр | Широкоугольный WF10X (Φ18 мм) | |
Объектив | Плоский ахроматический объектив для дальнего расстояния (без покровного стекла) PL 5X/0,12 | |
Плоский ахроматический объектив для больших расстояний (без покровного стекла) PL L10X/0,25 | ||
Плоский ахроматический объектив для больших расстояний (без покровного стекла) PL L40X/0,60 | ||
Плоский ахроматический объектив для больших расстояний (без покровного стекла) PL L60X/0,75 (пружина) | ||
Окулярная трубка | Три окуляра, наклон 30˚, (встроенный поляризатор для переключения) | |
Система капельного освещения | Галогенная лампа 6В 20Вт с регулировкой яркости | |
Капельный осветитель с полевой световой полосой, апертурной световой полосой, поляризатором, цветным фильтром (желтый, синий, зеленый) и матовым стеклом | ||
Система фокусировки | Грубая фреттинговая коаксиальная фокусировка, шаг фреттинговой сетки: 2 мкм.Грубый динамический натяг регулируемый, с запорно-ограничительными устройствами | |
Конвертер | Четыре отверстия (внутреннее расположение мяча) | Пять отверстий (внутреннее расположение мяча) |
стадия | Двухслойный механический мобильный тип (размер: 185 мм x 140 мм, диапазон перемещения: 75 мм x 50 мм) | |
Трансмиссионная система освещения | Конденсатор Аббе NA1.25 можно поднимать и опускать. | |
Синий фильтр и матовое стекло | ||
Светосборник, подходит для галогенной лампы | ||
Галогенная лампа 6В 20Вт с регулировкой яркости | ||
По желанию
Окуляр | Широкопольный окуляр WF16X (Φ11 мм) |
Делительный окуляр 10X (Φ18 мм), шаг сетки 0,1 мм/сетка | |
Объектив | Плоский ахроматический объектив для больших расстояний (без покровного стекла) PL L 50X/0,70 |
Плоский ахроматический объектив для больших расстояний (без покровного стекла) PL L 80X/0,80 | |
Плоский ахроматический объектив для больших расстояний (без покровного стекла) PL L 100X/0,85 (пружина) | |
Плоский ахроматический объектив (без покровного стекла) PL 100X/1,25 (пружина, масло) | |
Цветной фильтр | Фильтр зеленого цвета |
Желтый цветной фильтр | |
разъем ПЗС | 0,4X |
0,5X | |
1X | |
0,5X с делительной линейкой, шаг сетки 0,1 мм/сетка | |
Камера | DV-1 с USB и видеовыходом |
DV-2 (выход USB 1,30/3/5/10 миллионов пикселей) | |
DV-3 с видеовыходом | |
Устройство камеры | Камера с 2,5-кратным/4-кратным зумом и 10-кратным окуляром видоискателя |
4-кратная фокусировка камеры | |
MD застежка | |
застежка ПК | |
Разъем цифровой камеры | КАНОН(А610,А620,А630,А640) |
